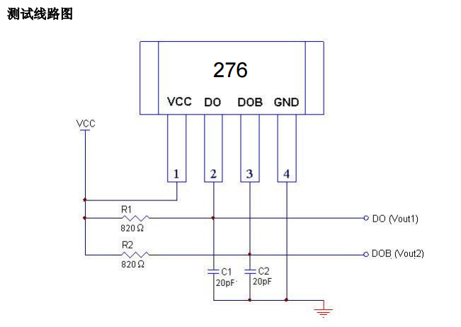
单极霍尔元件HAL276 无刷风扇电机专用直插霍尔开关 四脚 276
登录 | 注册收藏本站  
欢迎关临本公司网站
库存中心
主营产品
联系我们
在线客服 : 点击这里给我发消息
24小时客服专线
  了解

单极霍尔元件HAL276 无刷风扇电机专用直插霍尔开关 四脚 276

来源:霍芯电子    时间:2018-10-16

单极霍尔元件HAL276 无刷风扇电机专用直插霍尔开关 四脚 276

 

276-2.png

2769.jpg


 
深圳市霍芯电子科技有限公司©          CopyRight © SHENZHEN HUOXIN Electronic CO.,LTD